2023年普通高等学校招生全国统一考试《物理》全国甲卷A模拟试卷



单选题 (共 5 题 ),每题只有一个选项正确
2023年1月5日,福建省重点工程漳州圆山大道项目全线通车。质量相等的甲、乙两车在运动时受到的阻力相等, 时位于同一起始线,之后在平直公路上沿相邻车道同向运动,两车速度v随时间t变化的图像如图所示。下列说法正确的是
$\text{A.}$ t=3s 时两车功率相等 $\text{B.}$ 2~4s内两车牵引力始终不相等 $\text{C.}$ 乙追上甲前两车间的最大距离为 9m $\text{D.}$ 2s后乙车的功率始终大于甲车的

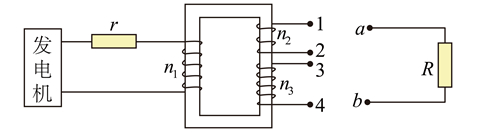
如图所示, 发电机输出电压峰值一定的正弦式交流电, 接入理想变压器原线圈, 导线电 阻 $r=2 \Omega$, 原线圈匝数 $n_1=50$, 副线圈有两个绕组, 匝数分别为 $n_2=50 、 n_3=150$, 负载 定值电阻 $R=8 \Omega$, 下列不同连接方式中, 电阻 $R$ 功率最大的是
$\text{A.}$ a端接1,b端接2 $\text{B.}$ a端接3,b端接4 $\text{C.}$ 2、3连接,a端接1,b端接4 $\text{D.}$ 1、3连接,a端接2,b端接4

某次发射卫星时, 先将卫星发射到半径为 $r_1$ 的低轨道上, 运行速度为 $v_1$, 当卫星运动经 过 $A$ 点时, 卫星上的小型火箭发动机点火, 短时间加速, 使卫星进入椭圆轨道运行, 椭圆 轨道的远地点 $B$ 与地心的距离为 $r_2$, 卫星经过 $B$ 点的速度为 $v_B$, 其运行轨迹如图所示。若 规定无穷远处引力势能为 0 , 则引力势能的表达式 $E_p=-\frac{G M m}{r}$, 其中 $G$ 为引力常量, $M$ 为 中心天体质量, $m$ 为卫星的质量, $r$ 为两者质心间距, 若卫星运动过程中仅受万有引力作用, 则下列说法正确的是
$\text{A.}$ $v_B>v_1$ $\text{B.}$ 卫星在椭圆轨道上 $A$ 点的加速度大于 $B$ 点的加速度 $\text{C.}$ 卫星在 $A$ 点加速后的速度为 $v_A=\sqrt{\frac{1}{2} G M\left(\frac{1}{r_1}-\frac{1}{r_2}\right)+v_B^2}$ $\text{D.}$ 卫星从 $A$ 点运动至 $B$ 点的最短时间为 $t=\frac{1}{v_1} \sqrt{\frac{\left(r_1+r_2\right)^3}{2 r_1}}$

如图甲所示,某多级直线加速器由n个横截面积相同的金属圆筒依次排列,其中心轴线在同一直线上,各金属圆筒依序接在交变电源的两极M、N上,序号为C的金属圆板中央有一个质子源,质子逸出的速度不计,M、N两极加上如图乙所示的电压$u_{MN}$,一段时间后加速器稳定输出质子流。已知质子质量为m、电荷量为e,质子通过圆筒间隙的时间不计,且忽略相对论效应,则
$\text{A.}$ 质子在各圆筒中做匀加速直线运动 $\text{B.}$ 质子进入第 $n$ 个圆筒瞬间速度为 $\sqrt{\frac{2(n-1) e U_0}{m}}$ $\text{C.}$ 各金属筒的长度之比为 $1: \sqrt{2}: \sqrt{3}: \cdots$ $\text{D.}$ 质子在各圆筒中的运动时间之比为 $1: \sqrt{2}: \sqrt{3}: \cdots$

一位解放军海军士兵蹲在皮划艇上进行射击训练, 用步枪在 $t$ 时间内沿水平方向发射了 7 发 子弹。若该士兵连同装备和皮划艇的总质量是 $M$, 发射每两发子弹之间的时间间隔相等, 每发子弹的质量为 $m$, 子弹离开枪口的对地速度为 $v_0$ 。射击前皮划艇是静止的, 不考虑水的 阻力, 忽略因射击导致装备质量的减少, 则在 $t$ 时间内皮划艇的位移为
$\text{A.}$ $\frac{4 m v_0 t}{M}$ $\text{B.}$ $\frac{7 m v_0 t}{2 M}$ $\text{C.}$ $\frac{3 m v_0 t}{M}$ $\text{D.}$ $\frac{5 m v_0 t}{2 M}$

多选题 (共 5 题 ),每题有多个选项正确
如图边长为 $L$ 的正方形区域 $\mathrm{ABCD}$ 内存在垂直于纸面的匀强磁场, 两个相同的放射源 同时发射的两个 $\alpha$ 粒子甲、乙在磁场内发生弹性正碰, 碰撞时间极短。已知甲从 $A C$ 边中点 垂直 $A C$ 入射, 乙沿 $A B$ 内侧从 $B$ 点平行于 $A B$ 入射, 放射源利用 ${ }^{238} \mathrm{U}$ 衰变发射粒子, 粒子 速度为 $\frac{1}{10} c$ ( $c$ 为真空中光速), $\alpha$ 粒子的比荷为 $k$, 则
$\text{A.}$ 放射源衰变方程为 ${ }_{92}^{238} \mathrm{U} \rightarrow{ }_{90}^{234} \mathrm{Th}+{ }_2^4 \mathrm{He}$ $\text{B.}$ 磁感应强度方向垂直于纸面向外, 大小为 $\frac{4 c}{25 k L}$ $\text{C.}$ 乙粒子出射点距 $A$ 点的距离为 $\frac{\sqrt{6}}{4} L$ $\text{D.}$ 甲粒子在磁场区域内运动时间为 $\frac{635 \pi L}{144 c}$

如图 1 所示, 一倾角为 $37^{\circ}$ 的传送带以恒定的速率 $v_0$ 逆时针转动。将两个不同的物块 $\mathrm{A}$ 、 B 轻轻并排放在传送带上, 二者并不接触 (图中只显示一个物块)。以平行于传送带向下的 方向为正方向, 两物块的速度一时间图像如图 2 所示。不计空气阻力, 重力加速度 $g$ 取 $10 \mathrm{~m} / \mathrm{s}^2$, $\sin 37^{\circ}=0.6, \cos 37^{\circ}=0.8$ 。关于两物块在传送带上的运动, 下列说法正确的是
$\text{A.}$ 传送带的速度 $v_0$ 的大小为 $6 \mathrm{~m} / \mathrm{s}$ $\text{B.}$ 传送带与物块 B 间的动摩擦因数为 0.75 $\text{C.}$ 在 $0: 0.75 \mathrm{~s}$ 内, 两物块与传送带间产生的热量相等 $\text{D.}$ $0.75 \mathrm{~s}$ 后, 若物块 $\mathrm{A}$ 在传送带上运动的时间少于 $\sqrt{3} \mathrm{~s}$, 则 $\mathrm{A} 、 \mathrm{~B}$ 间的最大距离就不会变

如图, 光滑平行轨道 $a b c d$ 的曲面部分是半径为 $R$ 的四分之一圆弧, 水平部公位于坚直
向上、大小为 $B$ 的匀强磁场中, 导轨I部分两导轨间距为 $L$, 导轨II部分两导轨间距为 $\frac{L}{2}$, 将 质量均为 $m$ 的金属棒 $\mathrm{P}$ 和 $\mathrm{Q}$ 分别置于轨道上的 $a b$ 段和 $c d$ 段, 且与轨道垂直。 $\mathrm{P} 、 \mathrm{Q}$ 棒电阻 均为 $r$, 导轨电阻不计。 $\mathrm{Q}$ 棒静止, 让 $\mathrm{P}$ 棒从圆弧最高点静止释放, 当 $\mathrm{P}$ 棒在导轨部分运 动时, $\mathrm{Q}$ 棒已达到稳定运动状态。下列说法正确的是
$\text{A.}$ $P$ 棒到达轨道最低点瞬间对轨道压力的大小为 $2 m g$ $\text{B.}$ $\mathrm{Q}$ 棒第一次稳定运动时速度大小为 $\frac{\sqrt{2 g R}}{2}$ $\text{C.}$ $\mathrm{Q}$ 棒从开始运动到第一次速度达到稳定, 该过程通过 $\mathrm{P}$ 棒的电荷量为 $\frac{4 m \sqrt{2 g R}}{5 B L}$ $\text{D.}$ 从 $\mathrm{P}$ 棒进入导轨II侌动到再次稳定过程中, $\mathrm{P} 、 \mathrm{Q}$ 棒中产生的总热量为 $\frac{1}{50} m g R$

如图所示,质量为m的活塞将一定质量的理想气体封闭在汽缸内,活塞与汽缸壁之间无摩擦。将汽缸放在冰水混合物中,气体达到的平衡状态如图中a所示,将汽缸从冰水混合物中移出后,气体在室温中达到的平衡状态如图中b所示。气体从a变化到b的过程中外部大气压强保持不变,下列说法正确的是 ________ 。(填正确答案标号,选对1个给2分,选对2个得4分,选对3个得5分,每选错1个扣3分,最低得分0分)

$\text{A.}$ $a$ 中气体的内能较大 $\text{B.}$ $b$ 中气体分子的平均动能较大 $\text{C.}$ $b$ 中气体分子单位时间内单位面积上撞击活塞的次数较多 $\text{D.}$ 从 $a$ 到 $b$ 的过程中, 气体从外界吸收的热量大于对活塞做的功 $\text{E.}$ 从 $a$ 到 $b$ 的过程中, 气体对活塞做的功大于活塞重力势能的增加量

一个单摆在地面上做受迫振动, 其共振曲线 (振幅 $A$ 与驱动力频率 $f$ 的关系图线) 如图所示, 则下列说法正确的是 。(填正确答案标号, 选对 1 个给 2 分, 选对 2 个得 4 分, 选 对 3 个得 5 分, 每选错 1 个扣 3 分, 最低得分 0 分)
$\text{A.}$ 此单摆的固有周期约为 $2 \mathrm{~s}$ $\text{B.}$ 此单摆的摆长约为 $1 \mathrm{~m}$ $\text{C.}$ 若摆长增大, 单摆的固有频率减小 $\text{D.}$ 若摆长增大, 共振曲线的峰将向右移动 $\text{E.}$ 此单摆的振幅是 $8 \mathrm{~cm}$

填空题 (共 2 题 ),请把答案直接填写在答题纸上
为了验证动量守恒定律,小明同学利用实验室的器材设计制造了一套实验装置,如图所示。在水平轨道SP左侧安装有一弹簧盒,可将滑块沿轨道弹射出。实验中使用同种材料、大小相等且一个为空心,另一个为实心的两滑块A和B。实验操作步骤如下:


(1) 用天平测得两滑块 A、B 质量分别为 $m_1 、 m_2$;
(2)先不放滑块 B, 用滑块 A 沿轨道向左按压弹簧盒中弹簧至适当位置后松手, 滑块 A 由静 上弹出, $\mathrm{A}$ 最终停止轨道上的 $O_1$ 点, 测量并记录滑块 $A$ 在水平轨道上滑行的 $O O_1$ 段距离为 ${ }^{x_1}$; (3)再把滑块 $B$ 静置于 $O$ 点, 让滑块 A 仍从弹簧盒弹出, 滑块 $\mathrm{A}$ 和滑块 B 碰撞后分别停在水 平轨道上的 $O_2$ 点和 $O_3$ 点, 测量并记录 $O O_2=x_2, O O_3=x_3$;
(4)整理并处理实验数据, 验证 A、B 碰撞过程中是否满足动量守恒定律。
(1) 关于本实验, 下列说法正确的是 ________
A. $S O$ 段轨道越光滑, 其误差影响越小
B. 滑块 A 空心, 滑块 B 实心
C. 滑块 A 每次必须从弹簧盒的同一位置由静止释放
D. 两滑块与水平轨道 $O P$ 段的动摩擦因数 $\mu$ 必须相等
(2)若两球碰撞前后的动量守恒, 其表达式可表示为 ________ ,若进一步研究该碰撞是 否为弹性碰撞, 还需要判断关系式 是否成立 ________ 。(选填下列选项的序号 A、B、C 或 D)

随着居民生活水平的提高,纯净水已经进入千家万户。某市对市场上出售的纯净水质量进行了抽测,结果发现有部分样品的电导率(电导率是电阻率的倒数,是检验纯净水是否合格的一项重要指标)不合格。
(1)你认为不合格的纯净水的电导率 ________ (选填“偏大”或“偏小”);



(2) 为了方便测量纯净水样品的电阻, 将采集的水样装入绝缘性能良好的长方体玻璃槽中, 如图 1 所示, 玻璃槽内腔的长度 $a=40.00 \mathrm{~cm}$, 宽度 $b=12.00 \mathrm{~cm}$, 水的高度 $h$, 用多用电表 欧姆胱粗测玻璃槽中水的电阻, 选择开关置于“ $\times 100$ ”挡, 发现指针如图 2 所示, 为使指针在 中央刻度附近, 需要换选 ________ (选填“ $\times 10$ ”或“ $\times 1 \mathrm{k}$ ”)挡;
(3) 为了精确测量玻璃槽中水的电阻 $R_x$, 实验室提供的器材有: 待测电阻 $R_x$ 直流电源 $E$ (电动势约 $6 \mathrm{~V}$, 内阻约 $1 \Omega$ ) 电压表 $\mathrm{V}_1($ 量程 $6 \mathrm{~V}$, 内阻约 $3 \mathrm{k} \Omega)$ | 电压表 $\mathrm{V}_2$ (量程 $15 \mathrm{~V}$, 内阻约 $5 \mathrm{k} \Omega$ ) 电流表 $\mathrm{A}_2$ (量程 $0.6 \mathrm{~A}$, 内阻约 $0.5 \Omega$ ) 滑动变阻器 $R$ (最大阻值 $20 \Omega$ ) 开关 $\mathrm{S}$ 一个及导线若干 实验中要求尽量减小系统误差, 应保证电表在测量时其最大读数超过量程的三分之二, 则电 压表应选择 ________ (选填“ $\mathrm{V}_1$ ”或“ $\mathrm{V}_2$ ”),电流表应选择 ________ (选填“ $A_1$ ”或“ $A_2$ ”)。 请在虚线框中画出实验电路原理图 ________
(4) 连接好实验电路, 测量玻璃槽中水的高度 $h$, 电压表示数 $U$, 电流表示数 $I$, 改变玻璃 槽中水的高度, 测得多组实验数据, 绘制 $\frac{U}{I}-\frac{1}{h}$ 图像如图 3 所示, 则待测纯净水的电导率 $\sigma=$ ________ $\mu \mathrm{S} / \mathrm{cm}$ (结果保留 3 位有效数字。国家标准: 在 $25^{\circ} \mathrm{C}$ 时饮用纯净水电导率 $\sigma \leq 10.0 \mu \mathrm{S} / \mathrm{cm}=10.0 \times 10^{-4}(\Omega \cdot \mathrm{m})^{-1}$


解答题 (共 4 题 ),解答过程应写出必要的文字说明、证明过程或演算步骤
超市为节省收纳空间, 常常将手推购物车相互嵌套进行收纳。质量均为 $m=16 \mathrm{~kg}$ 的两辆购物 嵌套在一起, 继续运动了 $L_2=1.25 \mathrm{~m}$ 后停了下来。人推车时间、两车相碰时间极短, 可忽略, 车运动时受到的阻力恒为车重的 $k=0.25$ 倍, 重力加速度取 $g=10 \mathrm{~m} / \mathrm{s}^2$, 求:
(1) 两辆车从嵌套后运动到停下来所用时间;
(2) 两辆车在嵌套过程中损失的机械能;
(3) 工人对第一辆车所做的功。

我国自行设计研制的热核聚变全超导托卡马克实验装置再次创造了该类实验装置运行的世界新纪录。此装置在运行过程中,需要将加速到较高速度的离子束转变成中性粒子束,而其中还未被中性化的高速带电离子则需通过过滤装置过滤出来并剥离。所用到的过滤装置工作原理简图如图所示,混合粒子束先通过加有一定电压的两极板之间区域后,再进入极板下方的偏转磁场中,此过程中中性粒子仍会沿原方向运动并被接收器接收;而带电离子中的一部分则会先在两极板间的电场作用下发生偏转,一部分直接打在下极板,另一部分则会在穿过板间电场后进入其下方的匀强磁场$B_2$ 区域,进一步发生磁偏转并打在吞噬板上,从而剥离吸收。已知这些带电离子电荷量为q ( q > 0 ),质量为m,两极板间距为d,所加电压为U,极板长度为2d,粒子束中所有粒子所受重力均可忽略不计,不考虑粒子间的相互作用。
(1)要使初速度为 $v_1=\sqrt{\frac{q U}{m}}$ 的离子能沿平行于极板的直线经过电场区域, 需在极板间再施 加一垂直于纸面的匀强磁场, 求其磁感应强度 ${ }^1$ 的大小和方向;
(2)若带电离子以初速度 $v_1$ 沿直线通过极板区域后, 进入下方垂直纸面向外的匀强偏转磁 的最小长度 $l$;
(3)若粒子束中带电粒子为初速度 $v_2=\sqrt{\frac{3 q U}{m}}$, 且撤去了两极板间的磁场 $B_1$, 则有部分带 电离子会通过两极板间的偏转电场进入偏转磁场, 已知磁场的磁感应强度 $B_2$ 大小可调, 且 分布范围足够宽广, 吞噬板 $l=2 d$ 并紧靠左极板水平放置。若要保证进入偏转磁场的带电粒 子最终都能被吞噬板吞噬, 求磁感应强度 $B_2$ 大小的取值范围。

自行车小巧方便, 利用率很高. 胎内气压一般维持在 $2.5 \times 10^5 \sim 3.0 \times 10^5 \mathrm{~Pa}$ 比较安全, 胎压过 低会损坏车胎, 胎压过高会引起爆胎。夏天, 自行车由于气门芯老化, 发生了漏气, 漏气 前胎压为 $2.5 \times 10^5 \mathrm{~Pa}$, 漏气后的胎压为 $1.5 \times 10^5 \mathrm{~Pa}$, 发现后赶紧用打气简给车胎打气, 车胎 的内胎容积为 $V=2.0 \mathrm{~L}$, 打气筒每打一次可打入压强为 $p_0=1.0 \times 10^5 \mathrm{~Pa}$ 的空气 $V_0=0.1 \mathrm{~L}$, 车 胎因膨胀而增加的体积可以忽略不计。夏天室内温度为 $T_1=27^{\circ} \mathrm{C}$, 中午烈日暴晒时室外温 度可高达 $T_2=37^{\circ} \mathrm{C}$ 。求:
(1)车胎漏气前后胎内气体的质量比 (假设漏气前后车胎内气体温度不变);
(2) 当车胎内压强超过 $p_{\mathrm{m}}=3.1 \times 10^5 \mathrm{~Pa}$ 时就容易发生爆胎事故, 夏季在室内给车胎打气时, 用打气筒最多可以打多少次, 才能保证在室外骑自行车不发生爆胎 (注: 打气前胎内压强为 $1.5 \times 10^5 \mathrm{~Pa}$ )。

宇航员王亚平在太空实验授课中,进行了水球光学实验(图甲).某同学在观看太空水球光学实验后,找到一块环形玻璃砖模拟光的传播.如图乙所示横截面为圆环的玻璃砖,其内径为R,外径为 2R.一束单色光在纸面内从A点以 的入射角射入玻璃砖,经一次折射后,恰好与玻璃砖内壁相切。求:
(1)玻璃砖对该单色光的折射率;
(2)为使光在玻璃砖内壁表面上发生全反射,入射角i的最小正弦值.


非会员每天可以查看15道试题。 开通会员,海量试题无限制查看。

  • 无限看试题

  • 下载试题

  • 组卷
开通会员

热点推荐

试卷二维码

分享此二维码到群,让更多朋友参与

试卷白板

试卷白板提供了一个简单的触摸书写板,可供老师上课、或者视频直播时, 直接利用白板给学生讲解试题,如有意见,欢迎反馈。