2023 年普通高等学校招生全国统一考试(甲卷理科) 物理



单选题 (共 5 题 ),每题只有一个选项正确
一同学将铅球水平推出,不计空气阻力和转动的影响,铅球在平抛运动过程中
$\text{A.}$ 机械能一直增加 $\text{B.}$ 加速度保持不变 $\text{C.}$ 速度大小保持不变 $\text{D.}$ 被推出后瞬间动能最大

在下列两个核反应方程中 $X+{ }_7^{14} N \rightarrow Y+{ }_8^{17} O, Y+{ }_3^7 L i \rightarrow 2 X$, X 和 $Y$ 代表两种不同的原 子核, 以 $Z$ 和 $\mathrm{A}$ 分别表示 $\mathrm{x}$ 的电荷数和质量数则
$\text{A.}$ $Z=1 \quad A=1$ $\text{B.}$ $Z=1 \quad A=2$ $\text{C.}$ $Z=2 \quad A=3$ $\text{D.}$ $Z=2 \quad A=4$

一小车沿直线运动,从t=0 开始由静止匀加速至t=t₁,时刻,此后做匀减速运动,到t=t₂时刻 速度降为零。在下列小车位移x与时间t 的关系曲线中,可能正确的是
$\text{A.}$ $\text{B.}$ $\text{C.}$ $\text{D.}$

一质点做匀速圆周运动,若其所受合力的大小与轨道半径的n 次方成正比,运动周期与轨道半径成反比,则n 等于
$\text{A.}$ 1 $\text{B.}$ 2 $\text{C.}$ 3 $\text{D.}$ 4

在一些电子显示设备中,让阴极发射的电子束通过适当的非匀强电场,可以使发散的电子束聚 集。下列4幅图中带箭头的实线表示电场线,如果用虚线表示电子可能的运动轨迹,其中正确的是
$\text{A.}$ $\text{B.}$ $\text{C.}$ $\text{D.}$

多选题 (共 5 题 ),每题有多个选项正确
用水平拉力使质量分别为 $m_甲 、m_乙$ 的甲、乙两物体在水平桌面上由静止开始沿直线运动,两物体与桌面间的动摩擦因数分别为 $\mu_{甲}$ 和 $\mu_乙$ 。甲乙两物体运动后, 所受拉力 $\mathrm{F}$ 与其加速度 $a$ 的关系图线如图所示。由图可知
$\text{A.}$ $m_{甲 } < m_乙$ $\text{B.}$ $m_{甲 } > m_乙$ $\text{C.}$ $\mu_{甲 } < \mu_乙$ $\text{D.}$ $\mu_{甲 } > \mu_乙$

光滑刚性绝缘圆筒内存在着平行于轴的匀强磁场,筒上P 点开有一个小孔,过P 的横截面是以O 为圆心的圆,如图所示。 一带电粒子从 P点沿PO射入,然后与简壁发生碰撞。假设粒子在每次碰撞前、后瞬间,速度沿圆上碰撞点的切线方向的分量大小不变,沿法线方向的分量大小不变、方向相反;电荷量不变。不计重力。下列说法正确的是
$\text{A.}$ 粒子的运动轨迹可能通过圆心0 $\text{B.}$ 最少经2次碰撞,粒子就可能从小孔射出 $\text{C.}$ 射入小孔时粒子的速度越大,在圆内运动时间越短 $\text{D.}$ 每次碰撞后瞬间,粒子速度方向一定平行于碰撞点与圆心 O 的连线

一有机玻璃管竖直放在水平地面上,管上有漆包线绕成的线圈,线圈的两端与电流传感器相 连,线圈在玻璃管上部的5匝均匀分布,下部的3匝也均匀分布,下部相邻两匝间的距离大于上 部相邻两匝间的距离。如图(a)所示。现让一个很小的强磁体在玻璃管内沿轴线从上端口由 静止下落,电流传感器测得线圈中电流I随时间t的变化如图(b)所示。则
$\text{A.}$ 小磁体在玻璃管内下降速度越来越快 $\text{B.}$ 下落过程中,小磁体的N 板、S授上下顺倒了8次 $\text{C.}$ 下落过程中,小磁体受到的电磁阻力始终保持不变 $\text{D.}$ 与上部相比,小磁体通过线圈下部的过程中,磁通量变化率的最大值更大

在一汽缸中用活塞封闭着一定量的理想气体, 发生下列缓慢变化过程, 气体一定与外界有热量交换 的过程是 .
$\text{A.}$ 气体的体积不变, 温度升高 $\text{B.}$ 气体的体积减小, 温度降低 $\text{C.}$ 气体的体积减小, 温度升高 $\text{D.}$ 气体的体积增大, 温度不变 $\text{E.}$ 气体的体积增大, 温度降低

等腰三角形 $\triangle a b c$ 为一棱镜的横截面, $a b=a c ;$ 一平行于 $b c$ 边的细光束从 $a b$ 边射人棱镜, 在 $b c$ 边 反射后从 ac 边射出, 出射光分成了不同颜色的两束, 甲光的出射点在乙光的下方, 如图所示。不考虑多次反 射。下列说法正确的是
$\text{A.}$ 甲光的波长比乙光的长 $\text{B.}$ 甲光的频率比乙光的高 $\text{C.}$ 在棱镜中的传播速度,甲光比乙光的大 $\text{D.}$ 该棱镜对甲光的折射率大于对乙光的折射率 $\text{E.}$ 在棱镜内bc边反射时的人射角,甲光比乙光的大

填空题 (共 2 题 ),请把答案直接填写在答题纸上
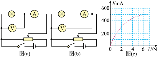
某同学用伏安法测绘一额定电压为6 V、额定功率为3W 的小灯泡的伏安特性曲线,实验所用 电压表内阻约为6kΩ 电流表内阻约为1.5Ω,实验中有图(a)和(b)两个电路图供选择。


(1)实验中得到的电流I和电压U 的关系曲线如图(c)所示,该同学选择的电路图是图 ________ (填"a"或”b”)。

(2)若选择另一个电路图进行实验,在答题卡所给图上用实线画出实验中应得到的关系曲线的示意图。

某同学利用如图(a) 所示的实验装置探究物体做直线运动时平均速度与时间的关系。让小车左端和纸带相连。右端用细绳跨过定滑轮和钩码相连。钩码下落,带动小车运动,打点计时器打出纸带。某次实验得到的纸带和相关数据如图(b) 所示。


(1)已知打出图(b) 中相邻两个计数点的时间间隔均为 $0.1 \mathrm{~s}$ 以打出A 点时小车位置为初始位置,将打出B、C、D、E、F 各点时小车的位移 $\Delta x$ 填到表中,小车发生应位移所用时间和平均速度分别为 $\Delta t$ 和 $v'$, 表中
$\Delta x_{AD}=$ , $\bar{v_{AD}}= m/s $




(2)根据表中数据得到小车平均速度 $\bar{v}$ 随时间 $\Delta t$ 的变化关系,如图(c) 所示。 题卡上的图中补全实验点。

(3)从实验结果可知,小车运动的 $\bar{v}-\Delta t$ 图线可视为一条直线,此直线用方程 $\mathrm{-b}$ 表示,其中 $\mathrm{k}=$ $\mathrm{cm} / \mathrm{s} 2, \mathrm{~b}=$ $\mathrm{cm} / \mathrm{s}$ o (结果均保留3位有效数字)

(4)根据(3)中的直线方程可以判定小车做约加速直线运动,得到打出A 点时小车速度大小VA $=$ 小车的加速度大小 $a=$ 。(结果用字母k、b表示)



解答题 (共 4 题 ),解答过程应写出必要的文字说明、证明过程或演算步骤
如图,光滑水平桌面上有一轻质弹黄,其一端固定在墙上。用质量为m 的小球压弹簧的另一端,使弹黄的弹性势能为E 。 释放后,小球在弹簧作用下从静止开始在桌面上运动,与弹黄分离后,从桌面水平飞出。小球与水平地 面碰撞后瞬间,其平行于地面的速度分量与碰撞前瞬间相等;垂直于地面的速度分量大小变为 碰撞前瞬间的4/5。 小球与地而碰撞后,弹起的最大高度为h。重力加速度大小为g, 忽略空气阻力。求
(1)小球离开桌面时的速度大小;
(2)小球第一次落地点距桌面上其飞出点的水平距离。

如图,水平桌面上固定一光滑U型金属导轨,其平行部分的间距为l,导轨的最右端与桌于右边缘对齐,导轨的电阻忽略不计。导轨所在区城有方向竖直向上的匀强磁场,磁感应强 度大小为B。一质量为m、电阻为R、长度也为l的金属棒P 静止在导轨上。导轨上质量为3m的绝缘棒Q位于P 的左侧,以大小为V0的速度向P 运动并与P 发生弹性碰撞,碰撞时间很短。 碰撞一次后,P和Q先后从导轨的最右端滑出导轨,并落在地面上同一地点。P 在导轨上运动时,两端与导轨接触良好,P 与Q 始终平行。不计空气阻力。求



(1)全属棒P 滑出导轨时的速度大小;
(2)全属体P 在导轨上运动过程中产生的热量;
(3)与P 碰撞后,绝续棒Q在导轨上运动的时间。

一高压舱内气体的压强为 1.2 个大气压,温度为 $17^{\circ} \mathrm{C}$, 密度为 $1.46 \mathrm{~kg} / \mathrm{m}^3$ 。
(i) 升高气体温度并释放出舱内部分气体以保持压强不变,求气体温度升至 $27^{\circ} \mathrm{C}$ 时内气体的密度;
(ii) 保持温度 $27^{\circ} \mathrm{C}$ 不变,再释放出舱内部分气体使舱内压强降至 1.0 个大气压,求舱内气体的密度。

分别沿 $x$ 轴正向和负向传播的两列简谐横波P.Q 的振动方向相同振幅均为 $5 \mathrm{~cm}$, 波长均为 $8 \mathrm{~m}$, 波速均为 $4 \mathrm{~m} / \mathrm{s} 。 \mathrm{t}=0$ 时刻, $P$ 波刚好传播到坐标原该处的质点将自平衡位置向下振动; $Q$ 波刚好传到 $x=10 m$ 处,该处的质点将自平衡置向 上振动。经过一段时间后,两列 波相遇。
(i) 在答题卡给出的坐标图上分别画出 $P, Q$ 两列波在 $t=2.5$ 时刻的波形图($P$波用虚线, $Q$ 波用实线);

(ii) 求出图示范围内的介质中,因两列波干涉而振动振幅最大和振幅最小的平衡位置。


非会员每天可以查看15道试题。 开通会员,海量试题无限制查看。

  • 无限看试题

  • 下载试题

  • 组卷
开通会员

热点推荐

试卷二维码

分享此二维码到群,让更多朋友参与

试卷白板

试卷白板提供了一个简单的触摸书写板,可供老师上课、或者视频直播时, 直接利用白板给学生讲解试题,如有意见,欢迎反馈。