单选题 (共 12 题 ),每题只有一个选项正确
初中三年,同学们彼此互相熟悉,甚至能“闻其声,知其人”,这样判断主要依据声音的
$\text{A.}$ 音色
$\text{B.}$ 音调
$\text{C.}$ 响度
$\text{D.}$ 声速
无锡市歌《太湖美》中唱到太湖美呀,太湖美,美就美在太湖水”,节约用水,加强水资保护。下列做法中错误的是
$\text{A.}$ 农业灌溉推广滴灌
$\text{B.}$ 不向太湖排放工业污水
$\text{C.}$ 将饮料瓶扔进湖中
$\text{D.}$ 洗手后及时关闭水龙头
如图所示,“天宫课堂”上王亚平老师将两块透明板上的水球接触后粘在一起,慢慢拉开板后形成一个长长的“液桥”,该现象主要说明了
$\text{A.}$ 水分子间有空隙
$\text{B.}$ 水分子间存在吸引力
$\text{C.}$ 水分子间存在排斥力
$\text{D.}$ 水分子处在永不停息的无规则运动中
暑假里,小明从电冰箱的冷冻室内拿出一根棒冰,发现包装纸上有一层“霜”,撕开包装纸后,棒冰冒出“白气”。关于这些现象,下列说法中正确的是
$\text{A.}$ “霜”是水蒸气凝华形成的
$\text{B.}$ “霜”的形成需要吸热
$\text{C.}$ “白气”是棒冰升华形成的
$\text{D.}$ “白气”的形成需要吸热
如图所示,小红正在做“探究平面镜成像的特点”实验,棋子A、B完全相同关于该实验,下列说法中错误的是
$\text{A.}$ 选用茶色玻璃板便于确定像的位置
$\text{B.}$ 茶色玻璃板应竖直放置在方格纸上
$\text{C.}$ 若B能与A的像完全重合,说明像与物等大
$\text{D.}$ 在B位置放上光屏能接收到A的像
用如图所示的器材探究动能大小与哪些因素有关,实验时让小车从斜面上由静止开始下滑,撞击置于水平面上的木块,关于该实验,下列说法中错误的是
$\text{A.}$ 小车从斜面下滑过程中重力势能转化为动能
$\text{B.}$ 小车撞击木块对木块做功,使木块获得动能
$\text{C.}$ 木块被撞击后移动的距离可反映小车动能大小
$\text{D.}$ 本套器材只能探究小车动能大小与速度的关系
如图所示,A、B、C是三个圆柱形容器,分别装有水或酒精(ρ水>ρ酒精)B和C两容器的底面积相同,且其中的液体深度也相同,三个容器中,底部所受液体压强最大的是
$\text{A.}$ A容器
$\text{B.}$ B容器
$\text{C.}$ C容器
$\text{D.}$ 无法比较
某班举办知识竞赛,需要制作一台选答器模型,要求如下:一个问题有两个可供选择的答案,选择哪一个答案就闭合哪一个开关,使对应的灯发光。下列电路中符合设计要求的是
$\text{A.}$
$\text{B.}$
$\text{C.}$
$\text{D.}$
连接如图所示的电路,闭合开关后,调节滑动变阻器,观察到白炽灯泡L1比L2亮,说明L1的实际功率比L2大。关于该实验,下列说法中正确的是
$\text{A.}$ 可以验证电功与电压大小的关系
$\text{B.}$ L1对应的电压表示数比L2小
$\text{C.}$ 通过L1的电流比L2大
$\text{D.}$ L1、L2规格是相同的
如图所示的白鹤滩水电站是实施西电东送的国家重大工程,是世界在建规模最大的水电工程正式投运后,每年可向华东地区输送的电能 $1.14 \times 10^{17}$,相当于火力发电站燃烧 $1.0 \times 10^{10}$ 标准煤所获得的电能,标准煤的热值取 $3.0 \times 10^{7} J/kg $ ,下列说法中错误的是
$\text{A.}$ 水能是可再生能源
$\text{B.}$ 水电站将水的机械能转化为电能
$\text{C.}$ 煤炭是不可再生能源
$\text{D.}$ 火力发电站的发电效率为$50\%$
如图是我国自主研发的“极目一号”Ⅲ型浮空艇示意图,艇体采用轻质的复合织物材料制成,外观呈白色,囊体上层装有压缩氨气通过向艇外排出下层部分的空气而实现上升,高度达到9032m,高度越高大气越稀薄,上升过程中艇体体积不变,关于浮空艇,以下说法中正确的是
$\text{A.}$ 艇体材料的密度较大
$\text{B.}$ 白色外观可以吸收各种色光
$\text{C.}$ 上升过程中,浮空艇所受的浮力变小
$\text{D.}$ 上升过程中,浮空艇所受的重力不变
如图所示,电源电压保持不变,R1是电阻箱,最大阻值为R,R2是定值电阻。闭合开关S,当电阻箱阻值调为R时,电压表示数为3V,电阻箱的功率为0.9W;当电阻箱阻值调为0.5R时,电压表的示数变化了1.5V。则下列说法中正确的是
$\text{A.}$ 电源电压为3V
$\text{B.}$ 电阻箱R1的最大阻值为40Ω
$\text{C.}$ 前后两次电路总功率变化了0.45W
$\text{D.}$ 为保证电路安全,电流表量程不能选0~0.6A
填空题 (共 12 题 ),请把答案直接填写在答题纸上
中考期间,考试铃声通过 ( ) 传到同学们耳中:考场周围禁鸣喇叭,是在 ( ) 处控制噪声
如图所示,在试管里装入一些水,用软木塞塞住试管口,将试管放在酒精灯上加热使水沸腾,水蒸气会把软木塞冲开,在这一过程中,水蒸气膨胀对软木塞 ( ) ,水蒸气的一部分 ( ) 能转化为软木塞的 ( ) 能,利用这一原理,可以制成热机。
如图所示,用力打击一摞棋子中间的一个,该棋子由静止开始沿水平方向飞出,这表明:力可以改变物体的 ( ) .上面的棋子由于 ( ) 要保持原来的静止状态,同时,这些棋子因为受到 ( ) 的作用,又落到下面的棋子上.
我国唐朝的张志和在《玄贞子》中记载了著名的“人工虹”实验:“背日喷乎水,成虹宽之状”,这是光的 ( ) 现象,进一步的研究表明,将红、( ) 、蓝三种色光按照不同比例混合,能产生任何一种其它颜色的光。
如图所示,木块置于水平传送带上,弹簧测力计水平放置且右端固定,电动机带动传送带沿图示方向匀速转动,此时弹簧测力计示数保持稳定,以传送带为参照物,木块是 ( ) 的;木块所受的拉力与摩擦力是一对 ( ) 力,摩擦力大小为 ( ) N。
用焦距为10cm的凸透镜探究凸透镜成像的规律,当点燃的蜡烛、凸透镜、光屏置于光具座上如图所示的位置时,光屏上呈现烛焰的倒立、 ( ) 的实像,若此时将光屏移走,烛焰通过凸透镜 ( ) (选填“能”或“不能”)成实像,将蜡烛移至光具座上40cm处,人站在光屏一侧,通过凸透镜可以看到一个 ( ) 、放大的“烛焰”。
如图所示的实验中,闭合开关,观察到铝棒向左运动,实验现象说明磁场对 ( ) 有力的作用,利用这一原理可以制成 ( ) 机;断开开关,对调电源正、负两极,重新接入电路,再次闭合开关,观察到铝棒向 ( ) 运动。
用如图所示的两套相同装置探究不同物质吸热升温的现象,将相等质量的沙子和水分别装入铝桶中,用温度计测出它们的初始 ( ) ,点燃酒精灯加热,用玻璃棒 ( ) 沙子和水,观察到沙子升温比水快,由此,可以推得,质量相等的沙子和水,升高相同的温度,( ) 吸收的热量多。
在做“观察水的沸点”实验中,测量温度时,温度计的玻璃泡应 ( ) 在水中。当观察到水中有大量气泡产生,温度计的示数保持不变,如图所示,说明水正在沸腾,沸点是 ( ) ℃。为验证水沸腾时需要吸热,接下来的操作是: ( ) 。
杆秤是我国古代劳动人民的一项发明,是各种衡器中历史最悠久的一种,称量物体质量时,它相当于一个 ( ) (填简单机械名称)。某杆秤的示意图如图所示,C处是秤钩,A、B位置各有一个提纽,BC=7cm,秤砣质量为0.5kg。提起B处提纽,秤钩不挂物体,将秤砣移至D点,杆秤恰好水平平衡,BD=1cm;将质量为2.5kg的物体挂在秤钩上,提起B处提组,秤砣移至最大刻度E处,杆秤再次水平平衡,则BE= ( ) cm。若要称量质量更大的物体,应选用 ( ) 处提纽。
用如图所示的装置探究影响电流热效应的因素,三个相同的锥形瓶内均装有质量相等的煤油,电阻丝R1、R2、R3浸没在煤油中,其中R1=R3=6Ω、R2=3Ω。闭合开关前,记录下煤油的初温度t0;接通电源,同时闭合开关S1、S2,记录下电流I,通电相同时间,记录下煤油的末温度,结果如表所示,则R1、R2所在锥形瓶中的煤油升温所吸收的热量之比为 ( ) 比较①③可知,导体产生的热量与 ( ) 有关;比较 ( ) (选填序号)可知,导体产生的热量与电阻有关,若要探究导体产生的热量与通电时间的关系,应进行的探究是:
北京2022年冬奥会花样滑冰双人自由滑比赛中,中国组合隋文静、韩聪完美发挥,摘得冠军,如图所示是比赛中的一个场景,韩聪双脚立于冰面,仅用0.40s就将原本站立于冰面的隋文静托举起来,隋文静的质量为38kg,韩聪的质量为62kg,身高h=170cm。(g取10N/kg)

(1)若韩聪将隋文静托举起的过程中所施加的力的大小等于隋文静所受的重力大小,韩聪将隋文静托举起的高度h1= ( ) cm,托举过程中所做功的功率为 ( ) W;
(2)保持图中姿势静止时,若韩聪脚底冰刀与冰面的总接触面积为10cm2,韩聪对地面的压强为 ( ) Pa,冰面对韩聪的支持力为 ( ) N。
解答题 (共 6 题 ),解答过程应写出必要的文字说明、证明过程或演算步骤
. 按要求作图:
(1)如图甲所示,一束光斜射向水面,请画出它的反射光线及折射光线的大致位置;
(2)如图乙所示,杠杆处于水平平衡,支点为O,请画出A点处所受拉力F1及其力臂l1;
根据图丙中小磁针静止时的指向,标出通电螺线管磁感线的方向和电源左端的极性(“+”或“-”)。
如图所示,中国“祝融号火星车质量为240kg。太阳能板将太阳能转化为电能,为火星车上的科学设备供电,车顶部安装有集热器,其窗口覆盖了一层透光率很高的膜,阳光可以透进来,保证红外线能量只进不出、在膜下面,是一种叫正十一烷的材料,白天它被阳光照射吸热熔化,到了夜晚温度降低,它逐渐凝固,把储存的能量再释放出来,“祝融号”火星车是六轮驱动,且每个车轮都能转向,爬坡时走“之”字形路线。(火星表面g取4N/kg)

(1)阳光中的红外线具有显著的 ( ) 效应;火星车爬坡时走“之”字形路线可以省 ( ) (选填“力”或“功”)
(2)火星车在火星表面所受的重力大小为多少 ( ) ?
(3)在下列方框中填上装置或能量名称,完成火星车利用太阳能的路径图 ( ) , ( )
用图甲所示的电路测量小灯泡的功率,器材有:电源、开关、电流表、电压表、滑动变阻器(20Ω 1.5A)、额定电压为2.5V的小灯泡各一个,导线若干。

(1)闭合开关前,需要检查电流表、电压表的指针是否 ( ) ,并“将滑动变阻器的滑片P移至 ( ) (选填“A”或“B”端);
(2)接通电源,闭合开关后,无论怎样移动滑片P,小灯泡均不发光,电流表指针不偏转,电压表指针有明显偏转,说明电压表与电源之间的电路连接是 ( ) ,若电路中只有一处故障,则可能是 ( ) ;
(3)排除故障后,重新开始实验,电源电压保持不变,闭合开关,电压表示数为0.5V,电流表示数为0.12A;移动滑片P,当电压表示数为2.5V时,小灯泡正常发光,电流表示数如图乙所示,为 ( ) A,则小灯泡的额定功率为 ( ) W,此时滑动变阻器消耗的功率 ( ) W。
实验课上,老师和同学们测量塑料小条及酒精溶液的密度。
(1)他们用天平和量筒测量塑料小条的密度:
①调节天平平衡时,若指针偏向分度盘中央刻度线的左侧,则应将平衡螺母向 ( ) 调节,使天平平衡,取20根相同的塑料小条放在天平的左盘,移动游码至图(a)所示位置,天平再次平衡,则20根小条的总质量为 ( ) g;
②在量筒中加入适量酒精,如图(b)所示,液面示数为 ( ) mL,再将20根小条全部浸没在酒精中,量筒内液面达到9mL,则塑料小条的密度为 ( ) g/cm3;
(2)他们用电子密度计测量酒精溶液的密度,电子密度计主要由玻璃砝码、挂钩、测量支架等组成。测质量时,示数由测量支架所受的拉力大小决定,如图(c)中显示的20.00g表明是质量为20.00g的砝码对支架产生的拉力;

①如图(d)所示,将玻璃砝码浸没在纯净水中,示数变小,原因是砝码受到水的 ( ) ,此时测量支架所受拉力相当于11.00g的物体所产生的拉力,按下“密度”键后,电子密度计能依据阿基米德原理换算出纯净水的密度为0.996g/cm3,如图(e)所示;
②提起玻璃砝码并擦干,再浸没在待测酒精溶液中,示数变为12.00g,如图(f)所示,则该酒精溶液的密度最接近于 ( ) g/cm3。
A.0.913 B.0.889 C.0.885 D.0.800
小红陪奶奶就医时,看见如图甲所示竖直放置的静脉输液装置,观察到输液管口的盐水一滴一滴地往下滴,于是,地提出一个问题:管口处水流出的速度大小与哪些因素有关?并作出如下猜想:
猜想1:随着输液瓶中液面不断下降,速度变小
猜想2:换粗一些的输液管,速度变大
猜想3:增加图甲中输液管的长度h,速度变大
为检验上述猜想,她准备了如下器材进行探究:铁架台、锥形瓶、量杯、双孔软木塞、橡胶软管、弹簧夹、秒表,4根粗细均匀的玻璃管:a管(长20cm、内孔直径3mm)、b管(长20cm、内孔直径6mm)、c管(长25cm、内孔直径3mm),长5cm的d管。

探究过程如下:
(1)如图乙所示,雏形瓶中装有红色的水,a、d管通过双孔软木塞插入瓶中,两管上方端口接近瓶口并齐平,a管下端放入量杯,d管下端套有橡胶软管,并用弹簧夹夹住,装置是竖直放置。此时,a管下端管口无水流出,这是由于 ( ) 的作用;
(2)松开弹簧夹,水从a管口流出,用秒表测出量杯中的水分别达到20mL、40mL、60mL、80mL、100mL水位时的时间t,记录在表1中;
表1:
①依据所测数据,在图丙中画出量杯中水的体积V与时间t的图像 ( ) ;
②每秒钟从a管口流出的水量是 ( ) mL;a管口处水流出的速度大小为 ( ) m/s(保留1位小数);
(3)将a管换成b管,重复步骤(2)的操作,将所侧数据记录在表2中;
表2:
分析表1和表2的数据,可知猜想2是 ( ) (选填“正确”“错误”)的;
(4)若要检验猜想3,请简要写出你的操作: ( ) 。
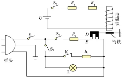
家用食具消毒柜是对家庭餐具进行消毒、烘干的生活健康器具。某品牌消毒柜的电路原理图如图所示,下表是它的部分参数,消毒电路由S1、紫外线灯管L、发热管R1、温控开关K组成,K开始时处于闭合状态,当柜内温度超过120℃时断开,当温度降到120℃以下时自动闭合,烘干电路由S2、发热管R2、电磁继电器开关组成,其中R2正常工作时的功率为烘干功率,烘干时,当电磁铁线圈中的电流达到0.02A,衔铁被吸起,触点D、E断开:当电磁铁线圈中电流减小到0.01A,衔铁被释放,触点D、E重新接触,使烘干温度维持在55℃~85℃控制电路电压U=6V,R3是定值电阻,RT是热敏电阻,其温度与消毒柜内温度相同,阻值随温度升高而减小,电磁铁线圈的电阻忽略不计。
某次使用时,将餐具放人消毒柜内,关闭好柜门,将插头插人家庭电路的插座中,电压为220V。闭合开关S、S1,对餐具消毒15min;断开开关S1,闭合S、S2、S3,再烘干60min。(1)若为该消毒柜写一份使用时的安全注意事项,其中错误的是 ( ) A.禁止用潮湿的手操作B.消毒柜的金属外壳不需要接地C.消毒时切勿将塑料等不耐高温的食具靠近R1D.严禁在无保护条件下,直视正在工作中的紫外线灯管(2)烘干期间,当消毒柜内温度为55℃时,控制电路中RT的阻值为500Ω,则当消毒柜内温度为85℃时,RT的阻值为多少 ( ) ?(3)若本次消毒、烘干电路实际消耗的电能为,其中,消毒时,L和R1同时正常工作时通过消毒电路的总电流为1A;烘干时,R2实际工作时间为总烘干时间的20%。则R1= ( ) Ω,R1实际工作时间为 ( ) min。