单选题 (共 12 题 ),每题只有一个选项正确
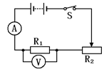
如图所示的电路中,电源两端的电压保持不变,$R_2$为定值电阻.闭合开关 $S$,在滑动变阻器的滑片$P$向右滑动的过程中,关于电压表和电流表的示数变化,下列四个选项中,判断正确的是
$\text{A.}$ 电压表、电流表示数均变大
$\text{B.}$ 电压表、电流表示数均变小
$\text{C.}$ 电压表示数变大,电流表示数变小
$\text{D.}$ 电压表示数变小,电流表示数变大
如图所示电路中,电源电压保持不变,当变阻器滑片$P$向右移动时,电表示数变大的是
$\text{A.}$
$\text{B.}$
$\text{C.}$
$\text{D.}$
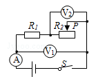
在如图所示的电路中,电源电压保持不变,闭合电键S,向右移动滑动变阻器滑片P的过程中
$\text{A.}$ 电流表A示数变大
$\text{B.}$ 电压表V2示数变小
$\text{C.}$ 电压表$V_1$示数与 电压表$V_2$示数的差值变大
$\text{D.}$ 电压表$$V_1$示数与电流表A示数的比值变大
在如图所示的电路中,闭合开关,电源电压保持不变,当滑动变阻器的滑片P向右移动的过程中,下列说法正确的是
$\text{A.}$ 电流表的示数变小,电压表的示数变大
$\text{B.}$ 电流表的示数变大,电压表的示数变小
$\text{C.}$ 电流表的示数不变,电压表的示数不变
$\text{D.}$ 电流表的示数变小,电压表的示数不变
如图所示的电路,电源电压保持不变,R为定值电阻。下列说法正确的是
$\text{A.}$ 开关闭合前,电压表和电流表均无示数
$\text{B.}$ 开关闭合后,滑片P向右移动的过程中,电压表的示数变大
$\text{C.}$ 开关闭合后,滑片P向右移动的过程中,电压表与电流表示数的比值不变
$\text{D.}$ 开关闭合后,滑片P向右移动的过程中,电压表与电流表示数的乘积变大
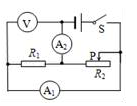
如图所示,电源电压不变,闭合开关,当滑动变阻器滑片向左移动时,下列判断正确的是
$\text{A.}$ 电压表示数与电流表A1示数的乘积变大
$\text{B.}$ 电压表示数与电流表A2示数的乘积变大
$\text{C.}$ 电压表示数与电流表A1示数的比值不变,电流表A2示数变小
$\text{D.}$ 电压表示数与电流表A1示数的比值变大,电流表A2示数变大
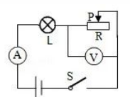
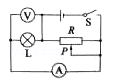
如图所示的电路,闭合开关后,当滑片P向右移动时,下列说法正确的是
$\text{A.}$ 灯泡L变暗
$\text{B.}$ 电压表示数变小
$\text{C.}$ 电流表A1示数变大
$\text{D.}$ 整个电路消耗的总功率变小
如图所示的电路中,电源电压保持不变,闭合开关S,当滑动变阻器的滑片P向右移动时,电路中保持不变的是
$\text{A.}$ 用电器消耗的总功率
$\text{B.}$ 电压表V的示数与电流表A的示数的比值
$\text{C.}$ 电流表A的示数与电流表A1的示数的差值
$\text{D.}$ 电压表V的示数与电流表A1的示数的乘积
如图,R为光敏电阻,其阻值随光照强度的增大而减小,R1是定值电阻。闭合开关,逐渐增大光敏电阻上的光照强度,电表示数变化情况是
$\text{A.}$ 电流表示数变小,电压表示数变大
$\text{B.}$ 电流表示数变大,电压表示数变小
$\text{C.}$ 电压表和电流表示数的比值将变小
$\text{D.}$ 电流表和电压表示数均变大
如图所示的电路中,电源电压保持不变,先闭合开关$S_1$,电流表、电压表的示数分别为$I_1$、$U_1$,再闭合开关$S_2、S_3$,电流表的示数分别为$I_2、U_2$,则正确的是
$\text{A.}$ $I_1>I_2 \quad U_1>U_2$
$\text{B.}$ $I_1 < I_2 \quad U_1>U_2$
$\text{C.}$ $I_1 < I_2 \quad U_1 < U_2$
$\text{D.}$ $I_1>I_2 \quad U_1 < U_2$
如图,电源电压恒定,闭合 $S_2$ ,断开 $S_1$ 和 $S_3$ ,两电表均有示数;再断开 $S_2$ ,同时闭合 $S_1$ 和 $S_3$ ,此时
$\text{A.}$ 电流表示数变小,电压表示数变大
$\text{B.}$ 电流表示数变大,电压表示数变小
$\text{C.}$ 两表示数均变小
$\text{D.}$ 两表示数均变大
如图所示电路,电源电压保持不变,开关S闭合后,再闭合开关$S_1$时,发生变化的是
$\text{A.}$ 灯L的亮度
$\text{B.}$ 电压表V的示数
$\text{C.}$ 电流表A的示数
$\text{D.}$ 电流表$A_1$的示数
多选题 (共 1 题 ),每题有多个选项正确
如图所示的电路中,电源电压恒定不变,$R_1$为定值电阻,闭合开关$S$,在滑动变阻器的滑片P向右滑动的过程中,下列四个选项中,判断正确的是
$\text{A.}$ 电流表、电压表的示数均变小
$\text{B.}$ 电流表、电压表的示数均变大
$\text{C.}$ 电流表示数变大、电压表示数变小
$\text{D.}$ 电压表与电流表示数的比值变小
填空题 (共 4 题 ),请把答案直接填写在答题纸上
如图所示,电源电压不变,闭合开关S,滑动变阻器的滑片P向左移动,总电阻,电压表示数.(两空都选择“变大”、“变小”或“不变”)
如图,是典型的伏安法测电阻的实验电路图,当滑片P向右移动时,请你判断A表和V表的变化
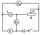
如图,当滑片$P$向右移动时,$A_1$表、$A_2$表和$V$表将如何变化?
如图所示电路中,开关闭合,灯泡L1和灯泡L2是 ________ 联连接的。当开关K断开时,电压表的示数将 ________ ,电流表的示数将 ________ (选填“增大”、“不变”或“减小”)。