2023年江苏扬州八校联谊初三中考一模物理试卷



单选题 (共 12 题 ),每题只有一个选项正确
庆祝“中国共产党建党 100 周年"之际,学校广播台重温经典红歌“没有共产党就没有新中国”,聆 听中能深切地感受到歌唱家们的歌声是那么洪亮有力,“洪亮有力”指的是声音哪一特征
$\text{A.}$ 音调 $\text{B.}$ 响度 $\text{C.}$ 音色 $\text{D.}$ 音质

估测在实际生活中的应用十分广泛,下列所估测的数据中最接近实际的是
$\text{A.}$ 一盏 $L E D$ 台灯正常工作 4 小时耗电约为 1 度 $\text{B.}$ 对人体安全电压为 $36 \mathrm{~V}$ $\text{C.}$ 将一个鸡蛋从地上捡起举过头顶做功约 $200 \mathrm{~J}$ $\text{D.}$ 一般洗澡水的温度约为 $41^{\circ} \mathrm{C}$

关于图所示的四种仪器,下列说法中正确的是
$\text{A.}$ B超 - 利用超声波获取人体内部信息 $\text{B.}$ 声呐一-利用次声波探知海底深度 $\text{C.}$ 验抄机--红外线使抄票上的苂光物质发光 $\text{D.}$ 遥控器一-靠紫外线实现对电视机的控制

中华诗词蕴藏着丰富的物理知识,下列对古诗词中涉及的物态变化解释正确的是
$\text{A.}$ “月落乌啼霜满天,江枫渔火对愁眠”一霜的形成是凝固现象 $\text{B.}$ “纷纷暮雪下辕门,风掣红旗冻不翻”一雪的形成是升华现象 $\text{C.}$ “可怜九月初三夜,露似真珠月似弓”一露的形成是液化现象 $\text{D.}$ “天接云涛连晓霝,星河欲转干帆舞”一—雺的形成是汽化现象

关于家庭电路及安全用电的理解,下列说法正确的是
$\text{A.}$ 电能表的转盘转得越快,说明用电器消耗的电能越多 $\text{B.}$ 电视机待机时不消耗电能 $\text{C.}$ 空气开关跳闸一定是发生了短路现象 $\text{D.}$ 开关与被控制的用电器串联,且接在火线上

下列关于材料、技术及能源的说法中正确的是
$\text{A.}$ LED由半导体材料制成的 $\text{B.}$
超导体可应用于电饭锅和电动机
$\text{C.}$ 我国海域深处蕴藏大量的“石油”属于可再生能源 $\text{D.}$ 核电站是利用核聚变释放出的能量来发电的

物理研究中常常用到一些研究方法,下面是初中物理中的几个研究实例,其中采用了相同研究方法的是
①利用光线来表示光的径迹和方向

②研究真空能否传声

③在探究磁场时,引入磁感线来形象描述磁场的方向与强弱

④研究电流时,把电流比作水流
$\text{A.}$ ①② $\text{B.}$ ①④ $\text{C.}$ ①③ $\text{D.}$ ③④

如图四个事例中,改变物体内能的方式与其它不相同的是
$\text{A.}$
钻木取火
$\text{B.}$
反复弯折铁丝
$\text{C.}$
金属勺放在热汤中
$\text{D.}$
活塞压缩筒内空气


如图所示,杠杆在水平位置平衡,下列操作仍能让杠杆在水平位置保持平衡的是
$\text{A.}$ 两侧钩码同时向外移一格 $\text{B.}$ 两侧钩码同时向内移一格 $\text{C.}$ 左侧的钩码向内移一格,右侧减去一个钩码 $\text{D.}$ 两侧钩码下方,同时加挂一个相同的钩码

如图所示是电与磁的四个实验,下列说法中正确的是
$\text{A.}$ 甲图:通电后小磁针发生偏转,说明电流有热效应 $\text{B.}$ 乙图:说明电磁铁的磁性强弱与线圈匝数有关 $\text{C.}$ 丙图:闭合开关后,磁场中导体 b 受力而运动,依据该原理可制成发电机 $\text{D.}$ 丁图:闭合开关后,磁场中导体ab 竖直向上运动时,灵敏电流计指针偏转

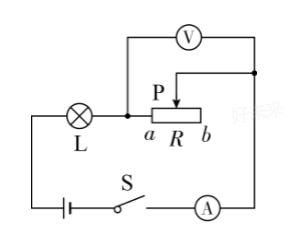
如图所示,GMR 是一个巨磁电阻,其特性是电阻在磁场中会急剧减小,且磁场越强电阻越小,闭合开关 $S_2$ 后,下列四种情况相比较,指示灯最亮的是
$\text{A.}$ $\mathrm{S}_1$ 断开,滑片 $\mathrm{P}$ 在图示位置 $\text{B.}$ $\mathrm{S}_1$ 闭合,滑片 $\mathrm{P}$ 在图示位置 $\text{C.}$ $\mathrm{S}_1$ 闭合,滑片 $\mathrm{P}$ 在滑动变阻器最右端 $\text{D.}$ $\mathrm{S}_1$ 闭合,滑片 $\mathrm{P}$ 在滑动变阻器最左端

如图所示,小灯泡规格为“ $6 \mathrm{~V} 3 \mathrm{~W}$ ”(灯丝电阻不变),闭合开关,当滑动变阻器的滑片 $\mathrm{P}$ 移至 $a$ 端 时,小灯泡正常发光;当滑片 $\mathrm{P}$ 移至 $b$ 端时,电压表示数为 $4 \mathrm{~V}$ ,则 $(\mathrm{r})$
$\text{A.}$ 小灯泡灯正常工作时通过的电流是 $2 \mathrm{~A}$ $\text{B.}$ 电源电压是 $10 \mathrm{~V}$ $\text{C.}$ 滑动变阻器的最大阻值是 $24 \Omega$ $\text{D.}$ 电流表示数变化范围是 $0.3 \sim 0.5 \mathrm{~A}$

填空题 (共 9 题 ),请把答案直接填写在答题纸上
疫情的寒冬即将过去,春天的号角吹响,处处“鸟语花香、绿柳成荫”。“乌语”是通过 传播 到人耳,“绿柳”看起来呈绿色,是因为绿柳只 (选填“吸收”或“反射”) 绿光.

如图几幅图是课本中的一些实验装置图,请在题中空格处填入相应的内容.

(1) 钢锯条以如图甲所示方式紧压在桌面上,拨动伸出桌面的一端,锯条由于 ________ 而发出声 音.
(2) 如图乙对碘锤缓慢加热,书本上没有用酒精灯直接给碘锤加热,而是采用水浴法对碘锤加 热的,是因为碘的熔点比水的沸点 ________ (高/低) .
(3) 如图丙装置可探究 ________ 跟电阻大小的关系.
(4) 如图丁说明: 断断续续的电流可产生 ________

为了探究树萠下光斑的成因,小明设计了开有菱形状孔 (边长约为 $5 \mathrm{~cm}$ ) 的卡片甲对太阳光,并 用另一张卡片乙紧贴在甲上沿箭头方向水平移动,观察距卡片 $50 \mathrm{~cm}$ 且与甲平行放置的光屏上光 斑的变化情况. 光斑末变成圆形前,其亮度 ________ ;变成圆形后,其大小 ________ (两空均选 填: 变大/变小不变)。

如图甲所示的某品牌插秧机使用北斗导航,农民只需在作业前进行相关设定,即可实现 24 小时无人值守自动作业.

(1) 该插秧机使用四冲程汽油机,图乙中汽油机处于 ________ 冲程. 如果该汽油机飞轮的转速是 $60 \mathrm{r} / \mathrm{s}$ ,则汽油机每分钟对外做功 ________ 次.
(2)某段时间插秧机消耗汽油 $0.21 \mathrm{~kg}$ ,汽油完全燃烧是把 能转化为内能;若这些热量 完全被 $40 \mathrm{~kg}$ 初温 $45^{\circ} \mathrm{C}$ 的水吸收,则在标准气压下水温升高 ________ ${ }^{\circ} \mathrm{C}$.
$$
\left[q_{\text {汽油 }}=4.6 \times 10^7 \mathrm{~J} / \mathrm{kg} , c_{\text {水 }}=4.2 \times 10^3 \mathrm{~J} /\left(\mathrm{kg} \cdot{ }^{\circ} \mathrm{C}\right)\right]
$$

如图是汽车油量表的工作原理图,其中的油量表是用 ________ 表改装的,当油箱中的油面下降时, 油量表的示数 ________ (选填“变大”、变小"或“不变”),定值电阻 $R_0$ 在电路中的作用是 ________

学习“电磁转换”这一章后,小明画出部分内容的思维导图,请你帮他补全空格处内容

医生给心脏疾病的患者做手术时,往往要用一种称为“人工心脏泵”的体外装置来代替心脏,以推 动血液循环. 如图是该装置的示意图,阀门 $\mathrm{S}_1$ 只能向外开启, $\mathrm{S}_2$ 只能向内开启. 当线圈中的电 流从 $B$ 流向 $A$ 时,线圈左端是 ________ 极,血液从 ________ (选填“ $\mathrm{S}_1$ 流出”或 “ $\mathrm{S}_2$ 流入”).

如图所示,用漆包线绕成矩形线圈,将线圈两端的导线拉直并用刀将漆全部刮掉,作为转动轴.将线圈放在金属支架上,它的下面放一块小磁体.用纸做一个小风车固定在转动轴上,将装置与小量程的电流表相连,让电流表、线圈和导线构成通路.现使小风车转动,可观察到 ________ ,从而说明电路中有电流产生.若将电流表换成干电池接入电路,线圈 ________(选填“能”或“不能”)持续转动.

“祝融号”火星车使用太阳能电池板供电,太阳能属于 ________ (选填“可再生”或“不可再生”)能源.核电站是利用核反应堆发生核 ________ (选填“裂变”或“聚变”)时提供的能量发电的.

解答题 (共 12 题 ),解答过程应写出必要的文字说明、证明过程或演算步骤
(1)如图1是研究“短路引起熔丝熔断”的实验,电路熔断器中的熔丝应该选用熔点 ________ 的材料做成,增加一根导线,并将导线接在 ________ 两点间,闭合开关,造成短路,可引起熔丝熔断.

(2)如图2甲所示,大功率家用电器要使用三孔插座,用于接地的导线应该接在插座的 ________ 孔(选填三个孔的代号).如图2乙所示,闭合开关,电灯不亮,用测电笔分别测试 a、b、c、d 四点时,a、bc、 三点使测电笔的氖管都发光,则电路的故障为 ________

根据平面镜成像特点,在图中画出物体 $A B$ 在平面镜 $M N$ 中所成的像 $A^{\prime} B^{\prime}$.

请在图中画出定值电阻的阻值随电压变化的图像.

汽车启动时,需将钥匙插入钥匙孔内并旋转(相当于闭合开关),请你用笔画线代替导线将轿车的启动原理图连接完整.

在九年级物理拓展课上,小梅同学模拟某建筑工地上塔吊的工作情景,设置了如图所示的滑轮组 来提升装修材料,若她用 $150 \mathrm{~N}$ 的拉力将 $360 \mathrm{~N}$ 的物体匀速提升了 $10 \mathrm{~m}$ (不计绳重和摩擦) . 求:
(1) 拉力所做的功.
(2) 提升 $360 \mathrm{~N}$ 的物体时,此滑轮组的机械效率是多少.
(3) 若提升的物体重力为 $510 \mathrm{~N}$ ,求出此时的拉力.

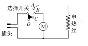
简易电吹风简化电路如图所示,其主要技术参数如表,在家庭电路中使用


(1) 若电动机线圈电阻 $R_1$ 为 $10 \Omega$ ,当吹冷风时 $40 \mathrm{~s}$ 内电流通过电动机产生的热量是多少?
(2)当吹热风时,电热丝 $R_2$ 的电功率是多少?
( 3 ) 电热丝 $R_2$ 的电阻值是多少?

如图是小霖探究平面镜成像特点的实验装置, $A$ 是点燃的蜡烛, $B$ 是与 $A$ 完全相同但末点燃的 蜡烛.

(1) 实验室提供四块玻璃板供小霖选择,为了保证实验效果,小霖应该选择 ________ 玻璃板.
A. 较薄杀色
B. 较厚茶色
C. 较薄无色
D. 较厚无色
(2)选取两支完全相同蜡烛的目的 ________
(3)实验采用玻璃板代替平面镜,虽然成像不如平面镜清晰,但却能在观察到 $A$ 蜡烛像的同 时,也能观察到 $B$ 蜡烛,巧妙地确定了像的 ________
(4)实验中若无论怎样移动 $B$ 蜡烛都无法使其和 $A$ 蜡烛像完全重合的原因 是 ________
(5)移去后面的蜡烛 $B$ ,并在其所在位置上放一光屏,观察光屏上不能接收到蜡烛烛焰的像, 则说明平面镜所成的像是 ________ 像(填“虚”或“实”)。

用如图所示的装置做“探究杠杆的平衡条件”实验.

(1)挂钩码前,杠杆在如图所示的位置静止,此时杠杆 ________ (选填“达到”或“没达到”)衡状 态,要使杠杆在水平位置平衡,可将杠杆左端的平衡螺母向 ________ 调节.
(2)如图乙所示,弹簧测力计竖直向下拉杠杆,杠杆在水平位置平衡时,示数为 $F_1$ ,将弹簧测 力计斜向左拉,杠杆在水平位置平衡时,其示数 $F_2$ ________ $F_1($ 选项“>”、“="或“ $ < ")$.
(3)小李和小王又分别设计了两种实验方案,小李的方案如图丙所示,小王的方案如图丁所 示. 你认为 ________ 的实验方案更好,请说明你的理由 ________

小王和小明利用如图两套装置探究①“不同物质吸热升温的现象”以及②“不同燃料充分燃烧放热的现象”,液体和燃料的质量以及种类根据实验的需要和方便进行正确选取.

(1) 在组装器材时应先调节 ________ $(A / B)$ 的高度;两个实验中都要控制 ________ (填“燃料、 杯中液体")质量相等.
(2)在探究“不同物质吸热升温”的特点时,物质吸热的多少是通过 ________ 反映的;在探究燃料 燃烧放出的热量"燃料放热多少是通过 ________ 来反映的 (填写序号).
A. 温度计上升的示数
B. 加热时间
(3) 两个实验都需要的器材是温度计、 ________

在研究“电流与电阻关系”的实验中,满足实验要求的器材有:
A. 电源 (电压恒为 $9 \mathrm{~V})$ ;
B. 电流表 $\mathrm{A}$ (量程 $0 \sim 0.6 \mathrm{~A}$ );
C. 电压表 $V$ (量程 $0 \sim 15 \mathrm{~V}$ ) ;
D. 滑动变阻器 $R(20 \Omega 1 \mathrm{~A})$ ;
E. 电阻箱 $R_0(0 \sim 9999 \Omega)$ ;
F. 开关 $\mathrm{S}$ 一个,导线若干.
(1)小明连接的图甲电路中存在连线错误,只需要改动一根导线,即可使连线正确. 请在接错 的导线上打“×”,并用笔画线代替导线画出正确接法.

(2)连接电路前,开关应 ________ 滑片放在 ________ (选填 $A$ 或$B$ ).
(3 ) 在某次实验中,当电阻箱 $R_0$ 的阻值为 $20 \Omega$ 时,电流表相应的示数如图乙所示,此时电阻 箱两端电压为 $\mathrm{V}$ ;完成此次实验后为了测出多组数据,实验小组的同学将电阻箱 $R_0$ 的阻值由 $20 \Omega$ 变换为 $30 \Omega$ 时,应将滑片向 ________ (选填“ $A$ ”或“ $B$ ”) 移动,使电压表 保持上述实验中的值不变.

已知电源电压恒为 $6 \mathrm{~V}$ ,小灯泡正常工作时的电压为 $3.8 \mathrm{~V}$ ,电阻约为 $12 \Omega$ ,滑动变阻器最大阻 值为 $10 \Omega$ ,小明利用如图所给的实验器材“测量小灯泡的额定功率”.
(1)闭合开关,移动滑片 $P$ ,当电压表的示数为 ________ $\mathrm{V}$ 时,小灯泡正常发光.
(2)正确连接电路后,用开关试触,小明发现灯泡不亮,电压表瞬间满偏,电流表指针几乎不 动,图甲电路发生的故障是 ________ (电路只有一处故障).

(3)小灯泡正常发光时,电流表的示数如图乙所示,小灯泡的额定电流为 ________ A,则小灯泡 $\mathrm{L}_1$ 的额定功率为 ________ W.

(4)测量完灯泡的额定功率后,小明又测量了几组数据,计算后发现灯丝电阻随其两端电压的 增大而增大,原因是 ________

光电效应 光电效应最早是由赫兹发现的一种神奇的物理现象,后来爱因斯坦作出了科学的解释.光电效应分为光电子发射效应、光电导效应和阻挡层光电效应,又称光伏效应.

光电子发射效应发生在物体表面,又称外光电效应.外光电效应是指被光激发产生的电子逸出物质表面的现象(如图甲),只有入射光的频率高于一定值时,才能激发电子逸出物质表面
光电导效应和阻挡层光电效应发生在物体内部,统称为内光电效应.内光电效应是指被光激发所产生的电荷仍在物质内部运动,但使物质的导电能力发生变化或在物体两端产生电压的现象.

光敏电阻器是利用半导体的光电效应制成的一种电阻值随入射光的强度而改变的电阻器. 光敏电 阻器一般用于光电测量、光电控制和光电转换等. 工业生产中,常用光敏电阻来探则光㷖强度. 如图丙,只将光敏电阻正对光源,其余部分电路置于光源外,就可以通过量程为 $300 \mathrm{~mA}$ 的灵敏 电流表来显示光昭强度 $(E / \mathrm{lx})$. 电源电压恒为 $4.5 \mathrm{~V}$ ,蜂鸣器(视为定值电阻)的阻值为 $10 \Omega$ , 光敏电阻 $R$ 与承受光昭强度 $E$ 变化的关系如表所示:

利用太阳能的最佳方式是光伏转换,就是利用光伏效应,使太阳光射到太阳能电池上产生电流直 接发电,光伏产业正成为国际上继 $I T 、$ 微电子产业之后又一爆炸式发展的行业.
(1)外光电效应会从物质中激发出 逸出于表面.
(2)太阳能电池是依据 (内 / 外) 光电效应工作的.
(3)图乙所示是可见光谱图,如果黄光昭射到某金属表面能产生外光电效应,则下列昭射该金 属也一定能产生外光电效应的光是
A. 红光和橙光
B. 红光和绿光
C. 蓝光和紫光
D. 橙光和靛光
(4)图丙电路能够测量的最大光呮强度是 $\mathrm{lx}$.
(5) 图丙电路中灵敏电流表的示数 $I$ 随光昭强度 $E$ 关系与下列图像相符合的是

非会员每天可以查看15道试题。 开通会员,海量试题无限制查看。

  • 无限看试题

  • 下载试题

  • 组卷
开通会员

热点推荐

试卷二维码

分享此二维码到群,让更多朋友参与

试卷白板

试卷白板提供了一个简单的触摸书写板,可供老师上课、或者视频直播时, 直接利用白板给学生讲解试题,如有意见,欢迎反馈。