单选题 (共 4 题 ),每题只有一个选项正确
“拔火罐” 时, 用点燃的酒精棉球加热小玻璃罐内的空气, 随后迅速把小罐倒扣在需要 治疗的部位, 冷却后小罐便紧贴在皮肤上。假设加热前小罐内的空气质量为 $m_0$ 、空气 温度为室温 $T_0$, 气压为标准大气压 $p_0$; 加热后小罐内的空气温度为 $T$ 。则当紧贴在皮肤 上的罐最后冷却为室温时, 其罐内空气的质量和压强大小分别约为
$\text{A.}$ $\frac{T}{T_0} m_0 、 \frac{T}{T_0} p_0$
$\text{B.}$ $\frac{T_0}{T} m_0, \frac{T_0}{T} p_0$
$\text{C.}$ $\frac{T_0}{T} m_0 、 \frac{T}{T_0} p_0$
$\text{D.}$ $\frac{T}{T_0} m_0, \frac{T_0}{T} p_0$
摩托车的点火装置原理如图所示。转换器将直流电压转换为 $12 \mathrm{~V}$ 的正弦交流电压, 并 加在高压包 (理想变压器) 的原线圈上, 当副线圈电压的瞬 时值大于 $1.5 \times 10^{+} \mathrm{V}$ 时, 就会使火花塞产生电火花点燃汽 油机工作。以下说法正确的是
$\text{A.}$ 高压包的副线圈匝数至少是原线圈匝数的 1250 倍
$\text{B.}$ 在电流变化的一个周期内, 火花塞放电一次
$\text{C.}$ 仅升高高压包输人电流的频率, 火花塞放电的频率会增大
$\text{D.}$ 仅升高高压包输人电流的频率, 高压包的输出电压会增大
在研究简谐波的传播时, 波源起振器位于 $O$ 点, 沿 $x$ 轴正方向 $t=0.01 \mathrm{~s}$ 时的波形如图所 示。则下列说法正确的是
$\text{A.}$ 该波的频率为 $100 \mathrm{~Hz}$, 波速为 $8.0 \mathrm{~m} / \mathrm{s}$
$\text{B.}$ $x=24 \mathrm{~cm}$ 处的质点在 $0.025 \mathrm{~s}$ 时第一次到达波峰的位置
$\text{C.}$ $x=32 \mathrm{~cm}$ 处的质点在 $\frac{13}{300} \mathrm{~s}$ 时第一次到达 $\frac{1}{2} A$ 的位置
$\text{D.}$ $x=48 \mathrm{~cm}$ 处的质点在 $\frac{1}{16} \mathrm{~s}$ 时第一次到达 $\frac{\sqrt{2}}{2} A$ 的位置
如图, 小物块 $P$ 置于倾角 $\theta=30^{\circ}$ 的光滑固定斜面上, 轻质定滑轮固定在斜面顶端, $Q$ 和 $P$ 用跨过定滑轮的不可伸长的轻绳相连, 轻绳恰好和斜面平行。 $t=0$ 时将 $P$ 由静止释 放, 此时 $Q$ 的加速度大小为 $\frac{g}{4}$ 。 $t_0$ 时刻轻绳突然断裂, 之后 $P$ 能达到的最高点恰与 $Q$ 被 释放时的位置处于同一高度。取 $t=0$ 时 $P$ 所在水平面为零势能面, 此时 $Q$ 的机械能为 $E$ 。已知 $0 \sim 2 t_0$ 内 $Q$ 末落地,不考虑空气阻力,下列说法正确的是
$\text{A.}$ $P 、 Q$ 质量之比为 $1: 2$
$\text{B.}$ $\frac{3 t_0}{2}$ 时 $Q$ 的机械能为 $\frac{E}{2}$
$\text{C.}$ $\frac{3 t_0}{2}$ 时 $P$ 的重力势能为 $E$
$\text{D.}$ $2 t_0$ 时 $P$ 重力的功率为 $\frac{2 E}{3 t_0}$
多选题 (共 4 题 ),每题有多个选项正确
如图所示, 自左向右依次固定放置半圆形玻璃砖、长方体玻璃砖和光屏, $B C 、 M N 、 H Q$ 三 个表面相互平行。一线光源紧贴玻璃砖表面以 $O$ 为圆心沿 $B A C$ 移动, 线光源发出的白 光始终正对圆心 $O$ 射人玻璃砖, 经长方体玻璃砖后打在光屏上。 $P$ 是 $B A C$ 上的一点, 不考虑光在各个界面的反射, 则光源
$\text{A.}$ 在 $P$ 点时, 若将光屏稍向右平移, 光屏上红色与紫色光斑的间 距将增大
$\text{B.}$ 在 $P$ 点时, 光屏上红色光斑在紫色光斑的下方
$\text{C.}$ 在 $P$ 点时, 若撤除长方体玻璃砖, 光屏上红色光斑将向下移动
$\text{D.}$ 从 $B$ 移到 $C$ 的过程中, 光屏上红色光斑移动的平均速率比紫色光斑的大
借助木板从卡车上往地面卸货时, 长木板 $A$ 表面粗䊁, 一端放在卡车车相的底板上, 另 一端置于水平地面上。将小货箱 $B$ 从车厢底板推到木板上, 用平行于 $A$ 绳拉 $B$, 可使 $B$ 沿 $A$ 匀速下滑; 若改用与 $A$ 成一定的角度绳拉 $B$, 同样可使 $B$ 沿 $A$ 匀速下滑。已知 $A$ 始终 保持静止, 则在两次 $B$ 沿 $A$ 下滑的过程中
$\text{A.}$ 第二次绳拉力的值可能小于第一次绳拉力的值
$\text{B.}$ 第二次 $B$ 受到摩擦力的值小于第一次 $A$ 受到摩擦力的值
$\text{C.}$ 第二次 $B$ 对 $A$ 作用力的值小于第一次 $B$ 对 $A$ 作用力的值
$\text{D.}$ 前、后两次 $B$ 对 $A$ 作用力的值大小不变
光滑绝缘平台处于坚直向下的匀强磁场中, 磁感应强度大小为 $B$ 。质量为 $m$ 的矩形金 属框 $a b c d$ 右端开口, 放在平台上。其 $b c$ 边长为 $l$, 只有 $b c$ 边有电阻且为 $R, a b 、 d c$ 足够长。 质量也为 $m$ 的薄金属片 $M N$ 置于金属框上,与金属框间的动摩擦因数为 $\mu$, 接人金属框 间的电阻也为 $R$ 。现锁定 $M N$ (不能左、右运动), 用小锤给金属框一瞬时水平向右的冲 量 $I$,发现金属框能平移的距离为 $x$ 。则在这一过程中
$\text{A.}$ $M N$ 中的感应电流方向由 $N$ 到 $M$
$\text{B.}$ 通过 $M N$ 的电荷量为 $\frac{B l x}{2 R}$
$\text{C.}$ $M N$ 中产生的焦耳热为 $\frac{I^2}{4 m}-\mu m g x$
$\text{D.}$ 金属框运动的时间为 $\frac{I}{\mu m g}-\frac{B^2 l^2 x}{2 \mu m g R}$
纸面内存在沿某方向的匀强电场。在电场中取 $O$ 点为坐标原点建立 $x$ 轴, 以 $O$ 为圆心、 $R$ 为半径, 从 $x$ 轴上的 $a$ 点开始沿逆时针方向作圆, $a \sim h$ 是圆周上的 8 个等分点, 如图 (a) 所示; 测量圆上各点的电势 $\varphi$ 与半径同 $x$ 轴正方向的夹角 $\theta$, 描绘的 $\varphi-\theta$ 图像如图 (b)所示,下列说法正确的是
$\text{A.}$ 电场强度的大小为 $\frac{\varphi_1+\varphi_2}{2 R}$
$\text{B.}$ $O$ 点的电势为 $\frac{\varphi_1-\varphi_2}{2}$
$\text{C.}$ $a e$ 两点的电势差为 $\frac{\sqrt{3}\left(\varphi_1+\varphi_2\right)}{2}$
$\text{D.}$ 从 $e$ 到 $f$, 电势一直降低, 从 $g$ 到 $h$, 电势一直升高
解答题 (共 5 题 ),解答过程应写出必要的文字说明、证明过程或演算步骤
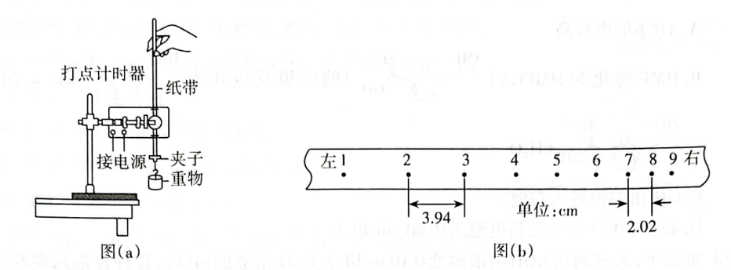
在测量当地的重力加速度时, 按图 (a)所示将打点计时器固定在铁架台上, 重物连上纸 带, 纸带穿过打点计时器后接通电源, 释放纸带, 打出的纸带如图 (b) 所示, 图中 $1 \sim 9$ 是依 次标记的计时点。
已知计时器电源的频率为 $50 \mathrm{~Hz}$, 实验时纸带的 ( ) (选填“左”或“右”)端应和重物 相连接, 由数据可算出当地的重力加速度值为 ( ) $\mathrm{m} / \mathrm{s}^2$ (保留两位有效数字), 该测量值 与当地的重力加速度的真实值相比 ( ) (填“偏大”“偏小”或“相等”)。
取下无人机的一块电池, 小李和同学们进行了这样的实验:
(1) 图 (a) 中, $E$ 是无人机的电池, $M N$ 是他们从“热得快” 中拆下的一段粗细均匀的电热 丝。选择适当的电表量程后, 他们发现大范围移动滑片 $P$, 电压表的示数变化却不明显。 为解决这一问题, 他们在讨论后将 $R_0=8.40 \Omega$ 的定值电阻接人电路中, 那么, 选择图 (b) 中 的电路 ( ) (选填“甲”“乙”或“丙”) 可解决这一问题;
(2)他们用改进后的电路进行了实验, 同时记录电压表的示数 $U$ 、电流表的示数 $I$ 及对 应的 $P N$ 的长度 $x$, 部分实验数据如下:
(3) 根据表格中的 $U 、 I$ 数据, 求出该无人机电池的电动势 $E=$ ( ) $V$, 内阻 $r=$ ( ); (结果均保留 2 位小数)
(4)根据表格中的实验数据, 在图 (c) 中补全数据点绘出 $M N$ 的 $\frac{U}{I}-x$ 图像;
(5) 已知 $M N$ 横截面积为 $3 \times 10^{-8} \mathrm{~m}^2$, 可求得 $M N$ 材料的电阻率 $\rho=$ (结果保留 1 位 有效数字);
(6)测量 $M N$ 的电阻率时, 电流表内阻对电阻率的测量
(选填“有”或“没有”)影响。
梦天实验舱成功发射后运行在距地球表面高度为 $h$ 的圆轨道上,实验舱拥有一项特别 “炫酷” 的功能一一在轨释放微小卫星。航天员把微小卫星装人释放机构, 释放机构再像 弹弓一样, 在很短的时间内把微小卫星沿空间站前行方向弹射出去。若某个质量为 $m$ 的 微小卫星被弹射后恰能脱离地球的引力范围, 即到达距地球无限远时的速度恰好为零。 已知质量分别为 $m_1 、 m_2$ 的两个质点相距为 $r$ 时, 它们间的引力势能为 $E_{\mathrm{p}}=-\frac{G m_1 m_2}{r}(r \rightarrow \infty$, 引力势能为 0 )。地球半径为 $R$, 地球表面的重力加速度为 $g$, 引力常量为 $G$ 。求:
(1)微小卫星与实验舱在轨运行时的速度;
(2)释放机构弹射微小卫星过程中做的功。
现代科技中常用电磁场分离和控制带电粒子的运动。如图所示, 在 $x O y$ 平面内,第一 象限内存在着沿 $y$ 轴负方向的匀强电场; 第二象限内, 在 $P O Q$ 三角形区域之外存在垂直于 纸面向外的匀强磁场。位于 $P(-\sqrt{3} L, 0)$ 点的粒子源, 能以不同速率、沿与 $x$ 轴夹角 $\theta=60^{\circ}$ 的同一方向发射质量均为 $m$ 、电荷量均为 $+q(q>0)$ 的 粒子, 其中速率为 $v_0$ 的粒子恰好从 $y$ 轴上的 $Q(0, L)$ 点 离开磁场, 且通过电场后到达 $x$ 轴上的 $N(L, 0)$ 点。不 考虑粒子的重力和粒子间的相互作用,求:
(1)磁感应强度的大小和电场强度的大小;
(2)速率为 $\frac{1}{2} v_0$ 的粒子到达 $x$ 轴上时的位置。
有一款推拉门, 其三扇门板俯视如图所示, 每扇门的宽度均为 $L=1.00 \mathrm{~m}$, 质量均为 $m=20 \mathrm{~kg}$, 边缘凸起部位的宽度均为 $d=0.05 \mathrm{~m}$ 。门完全关闭时, 1 号门板的左侧以及 3 号 门板的右侧分别与两侧的门框接触时, 相邻门板的凸起部位也恰好接触。测试时, 将三扇 门板均推至最左端, 然后用恒力 $F$ 水平向右推 3 号门板, 每次都经过相同的位移 $s=0.20 \mathrm{~m}$ 后撤去 $F$, 观察三扇门的运动情况。发现当恒力为 $8.5 \mathrm{~N}$ 时, 3 号门板恰好能运动到其左侧 凸起与 2 号门板右侧的凸起接触处。设每扇门与轨道间的动摩擦因数均相同, 门板凸起部位间的碰撞及门板与门框的碰撞均为完全非弹性碰撞 (不黏 连)。不考㤅空气阻力, 取 $g=10 \mathrm{~m} / \mathrm{s}^2$ 。
(1)求每扇门与轨道间的动摩擦因数。
(2)若要实现三扇门恰好完全关闭,则恒力应是多大?
(3)若想让三扇门都到达最右侧门框处, 则恒力至少是多大?